可能描述起來比較困難,我們舉例說明: 假設項目在北京,要求傳熱系數為0.45。打算使用聚苯板(導熱系數0.039W/M.K,修正系數我們取1),換熱阻為內表面0.04外表面0.11(可以從后面表格查閱),,墻體為200mm(0.2m)厚鋼筋混凝土(導熱系數1.74W/M.K)聚苯板的厚度為Xmm 則1/(0.04+0.11+0.2/1.74+X/0.03981.1)≤0.45 通過計算可以算出聚苯板的厚度為83.9mm,取整的話大致厚度不低于85mm。 當然這是最粗略的計算方式,精明的計算還需要考慮建筑體系系數、陽光照射面等等各種影響因素,這一計算方式主要是方便技術人員快速粗算出保溫層的厚度。
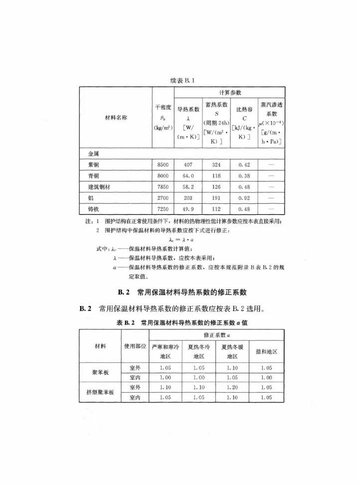
附表 GB 50176-2012中對保溫材料的熱工參數














河南朝欽節能建材有限公司主營,A級防火外墻保溫板,發泡水泥保溫板,混凝土自保溫砌塊
等墻體保溫材料,詳情咨詢電話15938714502。
